汤先生 17715333386
内部管理窗口| 设为首页| 加入收藏

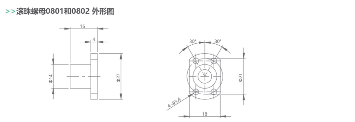
35系列 滚珠丝杆步进电机

35滚珠丝杆步进电机

注意:1、所有电机都可以配刹车、编码器、手轮、伺服型驱动,集成伺服驱动具有力矩控制、位置模式、

              速度模式功能,具有集成度高、速度快、性能优等特点,而且支持485和CAN通讯功能;

          2、全系丝杆长度和加工支持定制。

image.png

image.png

丝杆订制图片.jpg