汤先生 17715333386
内部管理窗口
|
设为首页
|
加入收藏
Toggle navigation
下载中心
服务与支持
首页
走进东旭
产品中心
电动微型夹爪
梯形丝杆步进电机
滚珠丝杆步进电机
混合式旋转步进电机
混合式空心轴步进电机
驱动器
配件类
常见问题
联系我们
下载中心
综合样本
简易样本
说明书
软件
证书
电动微型夹爪
梯形丝杆步进电机
滚珠丝杆步进电机
混合式旋转步进电机
混合式空心轴步进电机
驱动器
配件类
综合样本
简易样本
说明书
软件
证书
咨询热线:
17715333386
网站首页
产品中心
滚珠丝杆步进电机
20系列 滚珠丝杆步进电机
20滚珠丝杆步进电机
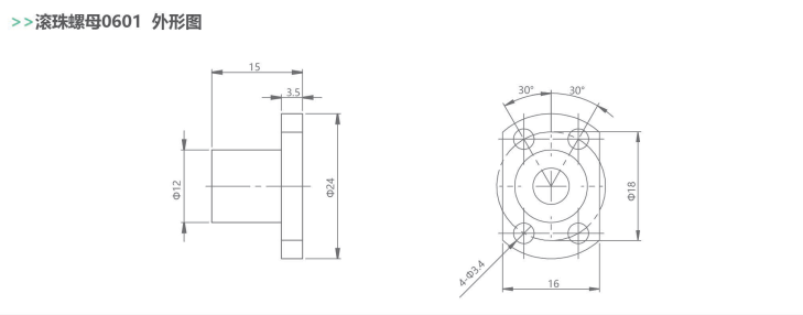
注意:所有电机都可以配刹车、编码器、手轮、丝杆支持定制。
走进东旭
产品中心
常见问题
联系我们
下载中心