滚珠丝杆电机是能够满足精确定位、快速响应与长寿命相结合应用的理想选择。东旭提供了独特的步进电机系列,为高性能、耐用性、结构紧凑的设备设计开辟了新途径。典型应用于X-Y工作台、医疗设备、半导体、电信设备、阀门控制等。对于高效率、高精度、更长寿命的应用场合,鼎智可以根据客户能接受的合理费用为电机选配不同规格的滚珠丝杆。C7是标准精度等级,有C5/C3精度等级可选。滚珠丝杆螺母的传动效率为90~96%,梯形丝杆螺母的传动效率为26~70%,因此在相同的载荷条件下,滚珠丝杆可以使用较少的驱动功率。滚珠丝杆螺母采用滚动摩擦,梯形丝杆塑料螺母采用滑动摩擦,前者的热升远低于后者,因此一般滚珠丝杆可以完成高速传动任务。并且滚动摩擦的表面损伤低于滑动摩擦,因此滚珠丝杆的寿命远高于梯形丝杆。
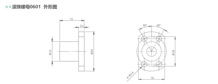
外形尺寸图


订制加工

